1. K-1000C system features:
(1)32 to 65536 degrees Gray control, Gamma correction procession handle.
(2)Support various points, line light sources, and all kinds of rules and specifically shaped handles.
(3)The controller has one output port, can support up to 512/2048 pixels(DMX lighting support up to 512 pixels).
(4)Play content stored in the SD card, the SD card can store up to 32 effects File, SD card capacity support 128MB-32GB.
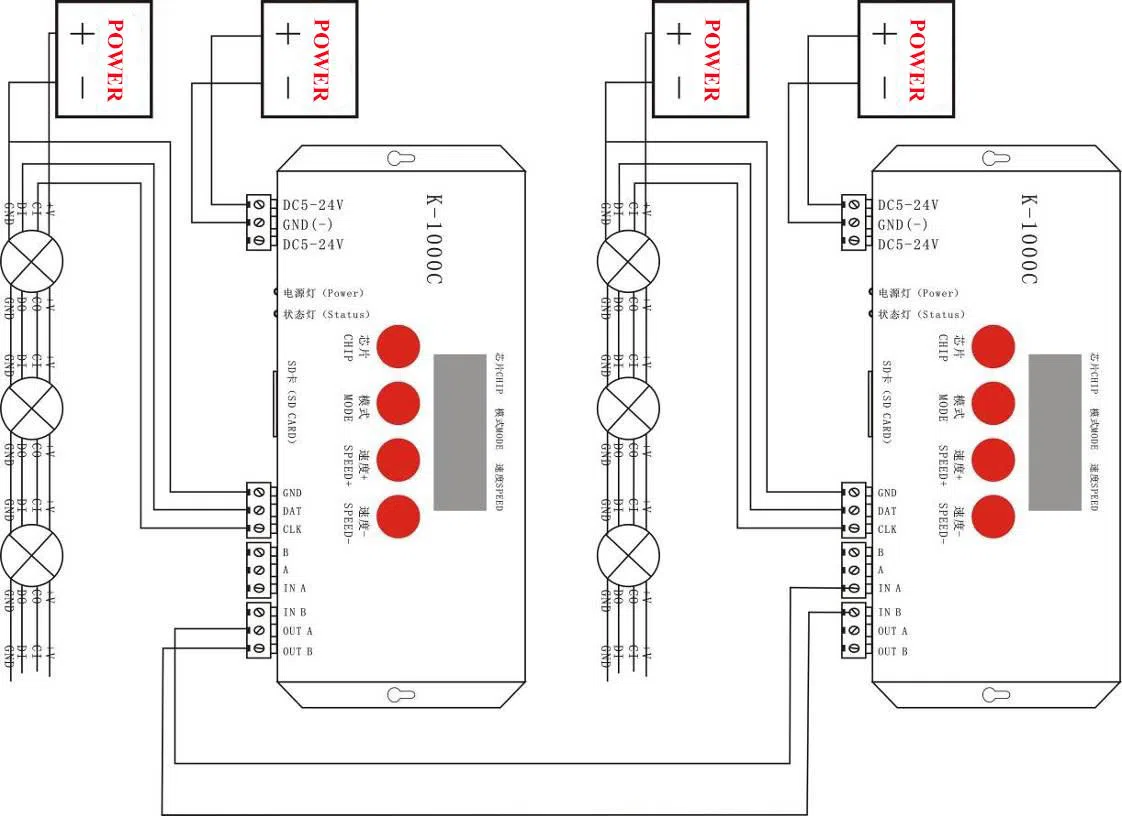
(5)The controller can single set use, also multiple controllers cascade, cascade optical isolation mode: interference, better stability, cascade distance between two controllers can reach up to 150 meters, need to use 0.5M² pure copper power cord.
(6)The controller support chip can lock the support IC in software, or not lock the support IC in the software, select the support IC through the controller CHIP button, this scheme is more flexible and convenient.
(7)For the DMX lighting IC, the controller comes with a write address function; In addition, with the use of our 2016 LedEdit-K V3.26 or later edition can make one key write address function setting.
(8)Support load lamp is 4 channels (RGBW) pixels or splits into single-channel point pixels.
(9)Enhanced 485 TTL and 485 differential (DMX) signal output.
(10)The controller comes with the test effects were as follows: 1 red, green, blue and black jump; 2 red, green, blue and black gradient; 3 red, green, blue and goes.
Notes:
1. The controller load lamps 512 points pixel, speed can reach up to 30 frames/sec, 1024 point pixel speed can reach up to 25 frames/sec, 2048 point pixel speed is about 15 frames/sec (the above parameter is an example of 1903 agreement IC, different IC have difference).
2. International standard DMX512 (1990 agreement) maximum support 512 pixels. When the load is international standard 170 pixels, the speed can reach up to 30 frames/sec, 340 pixels speed is about 20 frames/sec when 512 pixels speed is about 12 frames/sec.
2. Support chips (PC Software Select K-1000-RGB) :
00: UCS1903,1909,1912,2903,2904,2909,2912;TM1803,1804,1809,1812;
SM16703,16709,16712;WS2811,WS2812,WS2813,WS2815,WS2818;
INK1003;LX3203,1603,1103;GS8205,8206;SK6812(max. Supports lights 2048 pixels)
01:SM16716,16726(support up to 2048 pixels)
02:P9813(support up to 2048 pixels)
03:LPD6803(support up to 2048 pixels)
04:LX1003,1203(support up to 2048 pixels)
05:WS2801(support up to 2048 pixels)
06:LPD1886(support up to 2048 pixels)
07:TM1913(support up to 2048 pixels)
08:TM1914(support up to 2048 pixels)
09:P9883, P9823(support up to 2048 pixels)
10:DMX(support up to 512 pixels, suggest to support ≤320 pixels)
11:DMX 500K(support up to 512 pixels, suggest to support ≤320 pixels)
12:DMX 250K-CZF (support up to 512 pixels, suggest to support ≤320 pixels)
13:DMX 250K-CZF (support up to 512 pixels, suggest to support ≤320 pixels)
Notes:
1. If support RGBW four channels’ lights should select K-1000-RGBW.
2. If support single-channel light should choose K-1000-W, at this time, one channel means one pixel, the software effect makes as white lighting.
For more technical parameters and operations, please see and download the K-1000C Using Manual.
K-1000C-Instructions-suntechleds.pdf
Looking for more LED ligting control system? Please come to this page: DMX512 LED controller
3. Screen print meaning:
Button meaning:

Interface meaning:

The corresponding frame rate of speed level:

4. Conventional IC lamps wiring

5. Controller support DMX lights coding and wiring method:
Two signal wiring diagram:

Single signal wiring diagram:

6. How to handle the common problems:
Problem 1: After powered on, the controller screen display FFF, and no effect output.
Answer: The screen display FFF means the controller did not read the SD card correctly, the exist problems as below:
① SD card is empty, has no effect files.
② The effect files *.led in SD card and the controller model is mismatch, please select correct controller model, chip model in the latest edition 2016LedEdit, and remake effect files *.led.
③ Change SD card and then retesting, rule out the possibility of SD card is broken.
Problem 2: After powered on, the indicator is normal, but the lamps has no effects change.
Answer: It has the following reasons for this problems:
①Please check if the signal line of the lamps and the controller connected correctly.
②Conventional lamps signal divided into input and output, please confirm whether the controller connected the first lamp’s signal input.
Problem 3: After connect the lamps and the controller, the lamps is strobe and has effect change, at the same time the controlled indicator shows normal.
Answer:
①The ground line of the controller and the lamps are not connected.
② The effects in SD are not correct. The IC of the lamps when making effect is not corresponding with the IC of the actual lamps.
③If did not lock the chip, when making effects in the software, need to press the controller chip to the light’s corresponding chip, about press to which number, please refer to the sticker IC order on the controller.
④The power supply voltage of the lamps is insufficient.
Problem 4: SD card can not be formatted.
Answer:
①Firstly, make sure if the protection switch on the side of SD card is unlocking. The unlocking direction is the gold needle side of SD card.
②The protection has designed as required, but can not formatted, if this condition appears, it always because the SD card reader is broken, please change the SD card reader(had better use good quality card reader, SSK card reader is suggested).
③If the above operations can not solve the formatting problems, please change the SD card and retest.
1. K-1000C system features:
(1)32 to 65536 degrees Gray control, Gamma correction procession handle.
(2)Support various points, line light sources, and all kinds of rules and specifically shaped handles.
(3)The controller has one output port, can support up to 512/2048 pixels(DMX lighting support up to 512 pixels).
(4)Play content stored in the SD card, the SD card can store up to 32 effects File, SD card capacity support 128MB-32GB.
(5)The controller can single set use, also multiple controllers cascade, cascade optical isolation mode: interference, better stability, cascade distance between two controllers can reach up to 150 meters, need to use 0.5M² pure copper power cord.
(6)The controller support chip can lock the support IC in software, or not lock the support IC in the software, select the support IC through the controller CHIP button, this scheme is more flexible and convenient.
(7)For the DMX lighting IC, the controller comes with a write address function; In addition, with the use of our 2016 LedEdit-K V3.26 or later edition can make one key write address function setting.
(8)Support load lamp is 4 channels (RGBW) pixels or splits into single-channel point pixels.
(9)Enhanced 485 TTL and 485 differential (DMX) signal output.
(10)The controller comes with the test effects were as follows: 1 red, green, blue and black jump; 2 red, green, blue and black gradient; 3 red, green, blue and goes.
Notes:
1. The controller load lamps 512 points pixel, speed can reach up to 30 frames/sec, 1024 point pixel speed can reach up to 25 frames/sec, 2048 point pixel speed is about 15 frames/sec (the above parameter is an example of 1903 agreement IC, different IC have difference).
2. International standard DMX512 (1990 agreement) maximum support 512 pixels. When the load is international standard 170 pixels, the speed can reach up to 30 frames/sec, 340 pixels speed is about 20 frames/sec when 512 pixels speed is about 12 frames/sec.
2. Support chips (PC Software Select K-1000-RGB) :
00: UCS1903,1909,1912,2903,2904,2909,2912;TM1803,1804,1809,1812;
SM16703,16709,16712;WS2811,WS2812,WS2813,WS2815,WS2818;
INK1003;LX3203,1603,1103;GS8205,8206;SK6812(max. Supports lights 2048 pixels)
01:SM16716,16726(support up to 2048 pixels)
02:P9813(support up to 2048 pixels)
03:LPD6803(support up to 2048 pixels)
04:LX1003,1203(support up to 2048 pixels)
05:WS2801(support up to 2048 pixels)
06:LPD1886(support up to 2048 pixels)
07:TM1913(support up to 2048 pixels)
08:TM1914(support up to 2048 pixels)
09:P9883, P9823(support up to 2048 pixels)
10:DMX(support up to 512 pixels, suggest to support ≤320 pixels)
11:DMX 500K(support up to 512 pixels, suggest to support ≤320 pixels)
12:DMX 250K-CZF (support up to 512 pixels, suggest to support ≤320 pixels)
13:DMX 250K-CZF (support up to 512 pixels, suggest to support ≤320 pixels)
Notes:
1. If support RGBW four channels’ lights should select K-1000-RGBW.
2. If support single-channel light should choose K-1000-W, at this time, one channel means one pixel, the software effect makes as white lighting.
For more technical parameters and operations, please see and download the K-1000C Using Manual.
K-1000C-Instructions-suntechleds.pdf
Looking for more LED ligting control system? Please come to this page: DMX512 LED controller
3. Screen print meaning:
Button meaning:

Interface meaning:

The corresponding frame rate of speed level:

4. Conventional IC lamps wiring

5. Controller support DMX lights coding and wiring method:
Two signal wiring diagram:

Single signal wiring diagram:

6. How to handle the common problems:
Problem 1: After powered on, the controller screen display FFF, and no effect output.
Answer: The screen display FFF means the controller did not read the SD card correctly, the exist problems as below:
① SD card is empty, has no effect files.
② The effect files *.led in SD card and the controller model is mismatch, please select correct controller model, chip model in the latest edition 2016LedEdit, and remake effect files *.led.
③ Change SD card and then retesting, rule out the possibility of SD card is broken.
Problem 2: After powered on, the indicator is normal, but the lamps has no effects change.
Answer: It has the following reasons for this problems:
①Please check if the signal line of the lamps and the controller connected correctly.
②Conventional lamps signal divided into input and output, please confirm whether the controller connected the first lamp’s signal input.
Problem 3: After connect the lamps and the controller, the lamps is strobe and has effect change, at the same time the controlled indicator shows normal.
Answer:
①The ground line of the controller and the lamps are not connected.
② The effects in SD are not correct. The IC of the lamps when making effect is not corresponding with the IC of the actual lamps.
③If did not lock the chip, when making effects in the software, need to press the controller chip to the light’s corresponding chip, about press to which number, please refer to the sticker IC order on the controller.
④The power supply voltage of the lamps is insufficient.
Problem 4: SD card can not be formatted.
Answer:
①Firstly, make sure if the protection switch on the side of SD card is unlocking. The unlocking direction is the gold needle side of SD card.
②The protection has designed as required, but can not formatted, if this condition appears, it always because the SD card reader is broken, please change the SD card reader(had better use good quality card reader, SSK card reader is suggested).
③If the above operations can not solve the formatting problems, please change the SD card and retest.
